
自2024年7月1日起,HJ1331-2023和HJ1332-2023兩個方法標準開始正式實施。這意味著有組織排放非甲烷總烴的檢測不必再通過現場手工氣袋采樣-實驗室氣相色譜分析了。


新標準優勢和對比
便攜式直讀的方法相較于HJ38手工法來說,的確有著諸多優勢,具體體現在:
1、 現場可以直接檢測出數。快速對污染物濃度水平變化做出判斷,便于現場執法監測和監督性監測。
2、避免樣品失真。氣袋法往往不能及時進行分析,會造成樣品損耗,導致測量結果與實際數值偏差較大。
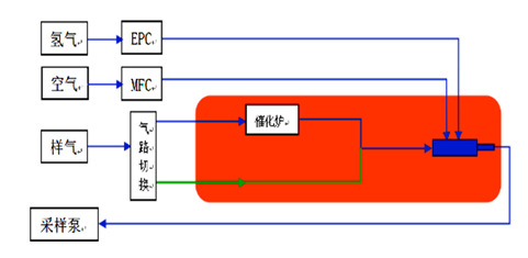
直讀方法根據HJ1331和HJ1332,又分為催化法和色譜法。其原理如下:

催化法:連續抽取樣品導入儀器,同時或交替通過總烴檢測單元和甲烷檢測單元(甲烷檢測單元通過催化劑將除甲烷以外的其他氣態有機化合物全部氧化為二氧化碳和水),以氫火焰離子化檢測器分別測定總烴和甲烷的含量,兩者之差為非甲烷總烴的含量。

色譜法:連續抽取樣品導入儀器,分別通過氣相色譜總烴柱和甲烷柱后進入氫火焰離子化檢測器,測定廢氣中總烴和甲烷的含量,兩者之差為非甲烷總烴的含量。
總結:催化法無需定量環,因此根據方法標準要求,只需氫氣(燃燒氣)和高純空氣(助燃氣);而色譜法需定量環進行色譜分離,除氫氣、除烴空氣外,還需要氮氣(載氣)。


如何選擇合適的儀器?
1、看檢測場景
根據HJ1012可以分為I類儀器(環境空氣)和II類儀器(固定污染源),對應的量程和檢出限均不相同。因此,首先判斷是用來做環境空氣還是固定污染源,然后選擇I類或II類儀器。
其次,根據和方法標準要求,催化法要求檢出限為0.4mg/m³,色譜法要求檢出限為0.2mg/m³。因此,若對檢出限要求更高,尤其是低濃度測量,建議優先選擇色譜法。
2、看排放工況
根據廢氣工況選擇,如,廢氣中含有高濃度的硫化物,可能會導致催化劑中毒,產生不可逆的影響。則對于這種工況來說,只能使用色譜法。反過來,要是廢氣干凈(比如單純的工藝尾氣),沒那么多 “雜質”,催化法也能用,還省了色譜法帶載氣的麻煩。
3、看便攜性
按照方法和結構原理,市場主流催化法儀器會比色譜法儀器更加便攜小巧,尤其適合復雜手工監測平臺的攜帶操作。此外,催化法不需要載氣,僅需要補充氫氣即可正常使用。
心得交流
最后,無論是選擇催化法還是色譜法,最重要的是要選擇符合國家方法標準的儀器設備。
據小編了解,目前市面主流產品均為國產設備,各品牌間設備性能和穩定性還是有較大差異的。在選購時,一定要擦亮眼睛,可以多家進行現場比對。有些儀器通標氣很準確,但是到了現場就不行,究其原因,需要考慮催化法的催化效率是否合格,色譜法的色譜分離性能是否合格。此外,有條件的也可通過丙烷甲烷混標氣,來驗證儀器的響應因子和分離能力。
以上都是小編混跡儀器廠家的干貨總結,如果有錯誤之處,歡迎圈里大神們指正!
